De Korne & Energietransitie
De wereld verandert in een razend tempo. Terwijl wij proberen onze fossiele energie af te bouwen, zien we een explosieve groei in de elektriciteitsvraag. En dat terwijl we nu al tegen de grenzen van ons elektriciteitsnet aanlopen. Netcongestie is een vervelend probleem voor veel ondernemers, maar daar is zeker iets aan te doen!
Wij zijn ons bewust van de noodzaak om fossiele brandstoffen achter ons te laten en wij willen bijdragen aan de energie transitie. Geïnspireerd door de nieuwe generatie werken wij aan een ijsaccu; een betrouwbaar systeem dat energie efficiënt opslaat.


IJs accu
Uw proces, bijvoorbeeld het koelen van uw (landbouw) product kost veel energie. Deze koeling kan alleen door het gebruiken van stroom; de koeling moet 24/7 doorgaan, maar de zon schijnt maar 12 uur per dag.
Om uw energie op te slaan overweegt u een lithium accu. Deze brengt echter hoge initiële kosten met zich mee en heeft een levensduur van 5 tot 7 jaar.
Omdat u koude nodig heeft, voor bijvoorbeeld het koelen van melk, appels, of chemische producten, is uw doel niet om stroom op te slaan. Uw doel is uw proces koel houden!
Met onze opslag in koude zetten we de energiepiek direct om in koude. Hierdoor is er één energieomzetting minder en dus efficiënter. Nieuwsgierig hoe de ijs accu werkt?
Advies op maat
Wij willen onze ervaring in de warmte techniek inzetten om uw energie behoeften en energie bronnen te analyseren. We brengen pieken en opslagmogelijkheden in kaart.
Hiervoor kunnen wij meten, en modeleren. Met het bepalen van de energie stromen en het meenemen van koel/verwarm kosten kan er een kosteneffectieve oplossing worden aangeboden die uw proces kosten sterk kunnen reduceren.
Wij denken in oplossingen. Neem nu contact met ons op voor uw warmteprobleem!


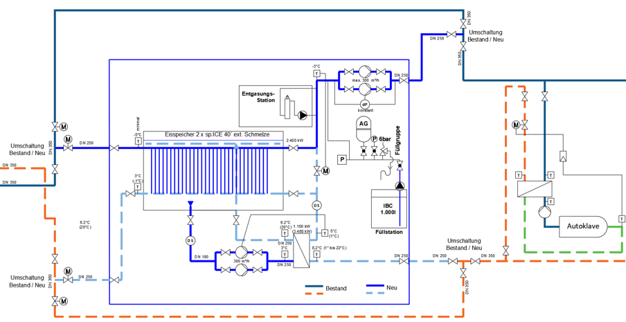
Systeem integratie
Wij leveren niet alleen de belangrijkste componenten maar een turnkey oplossing!
Wij leveren voor uw proces of installatie;
- IJs accu
- Hydraulische module
- Pompen
- Besturing
- Leidingwerk & Isolatie
- Warmtewisselaar
- Ontgassingsmodule & drukregeling
Wij denken mee over de integratie in uw huidige proces, een implementatie met minimale verstoring.
Proces ontwerp & Engineering
De Korne heeft van alles in huis, waaronder engineering en productie capaciteiten. Uw proces heeft een snelle en effectieve omzetting nodig. Om de integratie van de ijsaccu zo soepel te laten verlopen zet de Korne in op gedetailleerd ontwerp. Daarnaast kunnen verschillende onderdelen geleverd worden op skids. Hiermee wordt niks aan het toeval overgelaten voor een snelle en efficiënte implementatie van de ijsaccu.
Wilt u meer weten over onze engineering mogelijkheden, leest u dan vooral verder.

Bent u geïnteresseerd in een uitgebreidere uitleg over de ijsaccu, bekijkt u dan vooral onze pagina over kristallisatie energie
